
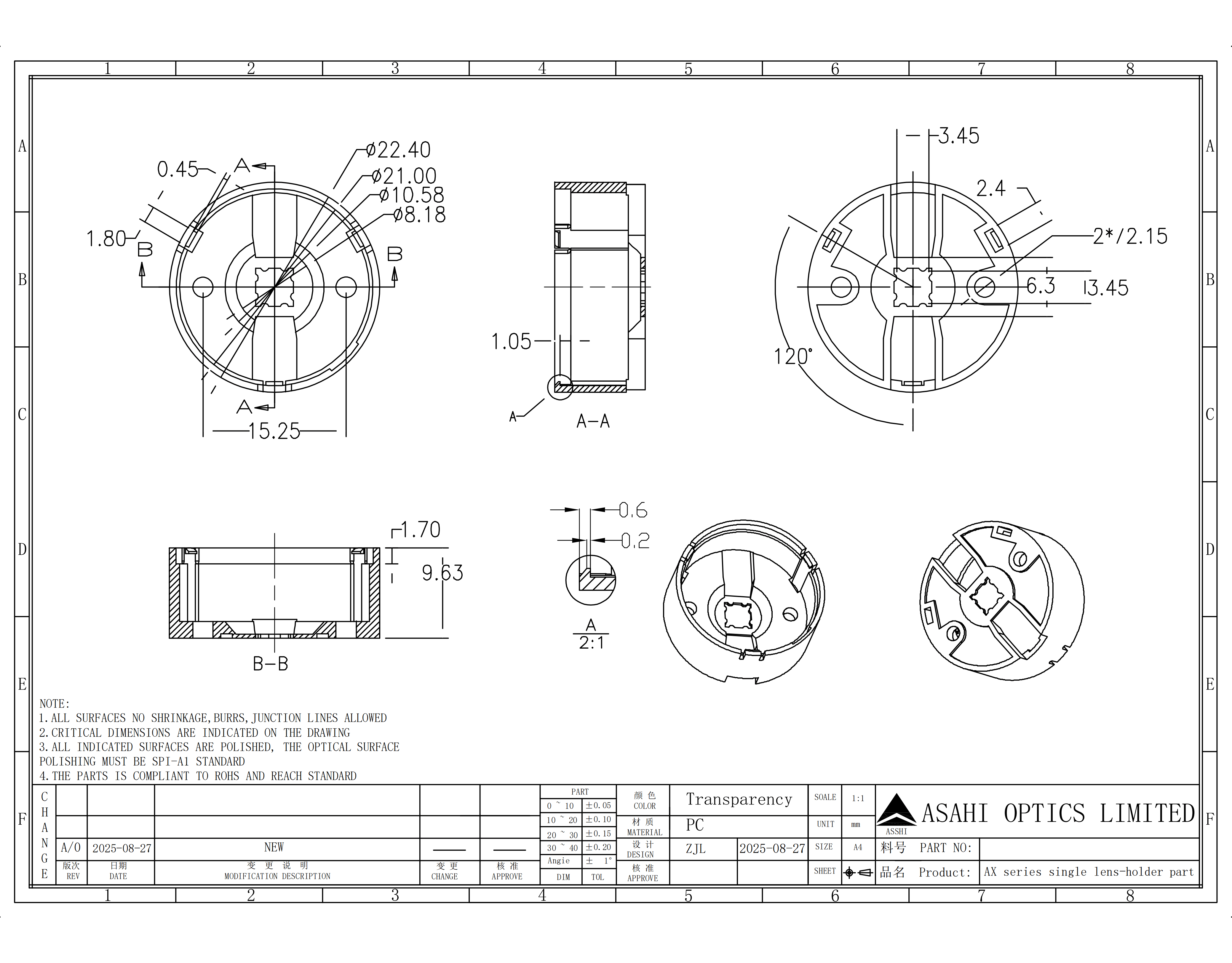
Model: AX22D9H10G/25G/40G/60G/3065G
Diameter: 22.4mm
Height: 9.63mm
Angle: 10°,25°,40°,60°,30x65°
Material: PMMA(lens)+PC(holder)
Transmittance: >93%
LED Type: 3535LED
Lighting Applications: Wall Washer Light, Landscaping Light, Architecture Lighting
1. The AX Series 22mm lens is suitable for 3535 LED designs and utilizes a PMMA lens and PC bracket combination, achieving over 93% light transmittance.
2. It offers beam angles of 10°, 25°, 40°, 60°, and a unique 30x65°. It has a diameter of 22.4mm and a height of 9.63mm.
3. It is an ideal choice for wall washers, landscape lighting, and architectural lighting, offering excellent optical performance and flexible installation.
Distribution





Specifications
| Model: | AX22D9H10G/25G/40G/60G/3065G |
| Diameter: | 22.4mm |
| Height: | 9.63mm |
| Angle: | 10°,25°,40°,60°,30x65° |
| Material: | PMMA(lens)+PC(holder) |
| Transmittance: | >93% |
| LED Type | 3535LED |
| Lighting applications | Wall Washer Light, Landscaping Light, Architecture Lighting |
LED Type
XPE
XPE2
XP-G2
XP-G3
OSLON SSL80
SQUARE
LUXEON HL4Z
NVSW219GL
PK2E-2LVE-B2R8N
PK2N-4LVE-SBVR8
Packaging

Material Information






Lens Material
L06: PMMA 8N/ L46: PC 1250Z
Operating Temperature
PMMA:-40°C~ +80°C/ PC: -40°C~ +120°C
UL Flammability
PMMA: [email protected]/ PC 1250Z: V-2 @1.5mm
UL RTI Elec
PMMA: 90°C @1.5mm/ PC 1250Z: 125°[email protected]
Light Transmission Rate
400nm ~ 900nm>90%
If necessary, Clean lenses with mild soap, water and soft cloth.
Never use any commercial cleaning solvents on lenses, like alcohol.
Please handle or install lenses with wearing gloves, skin oils may damage lens or its optical characteristic.


Asahi Optics welcomes your questions, inquires and feedback. Please use the form below or contact us at any of the addresses below. Our sales team will get back to you shortly.